Hướng dẫn đọc tài liệu động cơ ô tô bằng Auto ISM – Phiên bản chuyên gia
HƯỚNG DẪN ĐỌC TÀI LIỆU ĐỘNG CƠ Ô TÔ BẰNG AUTOISM (PHIÊN BẢN CHUYÊN GIA)
Tóm tắt nhanh
Hệ thống động cơ ô tô hiện đại gồm rất nhiều thành phần: ECU, cảm biến, cơ cấu chấp hành, áp suất nén, hệ thống đánh lửa – phun xăng – điều khiển bướm ga – turbo – van VVT…
Với Auto ISM, kỹ thuật viên có thể tra cứu:
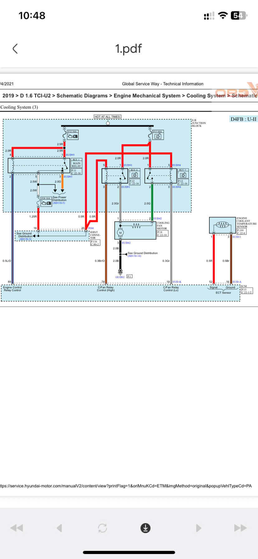
- Sơ đồ điện động cơ (Engine Wiring Diagram)
- Sơ đồ cân cam – đánh dấu cam
- Sơ đồ chân ECU (ECM Pinout)
- Hệ thống cảm biến chính: MAF, MAP, CKP, CMP…
- Nguồn – mass – đường dây tín hiệu
- Vị trí linh kiện (Location)
- Mã màu dây & hướng dòng điện
Bài viết này sẽ hướng dẫn bạn đọc – hiểu – ứng dụng tài liệu động cơ trong thực tế sửa chữa gara.
Hình 1: App tra cứu tài liệu ô tô Auto ISM
1. Bộ tài liệu động cơ trên AutoISM gồm những gì?
AutoISM phân loại tài liệu động cơ theo đúng cấu trúc OEM, gồm 5 nhóm lớn:
1.1 Wiring Diagram – Sơ đồ mạch điện động cơ
Đây là phần quan trọng nhất, chiếm 70% ứng dụng thực tế.
Gồm các mạch:
- Mạch đánh lửa: IGT – IGF → từng cuộn
- Mạch phun: Injector → ECU → nguồn +B
- Mạch cảm biến CKP/CMP
- Mạch MAF/MAP
- Mạch điều khiển bướm ga ETCS-i
- Mạch điều khiển OCV – VVT-i
- Mạch cảm biến O2/AF Sensor
- Mạch điều khiển turbo (nếu có)
- Mạch bơm xăng → relay → ECU
- Mạch nhiệt độ nước (ECT)
- Mạch cảm biến nhiệt độ khí nạp (IAT)
Tất cả được vẽ lại, không phải quét PDF, đảm bảo:
- Đường dây rõ ràng
- Màu dây chính xác
- Mũi tên dòng điện
- Chân giắc & số chân ECU đầy đủ
- Ký hiệu điện tiêu chuẩn quốc tế SAE/IEC
=> Giúp kỹ thuật viên đọc mạch nhanh & đo đúng dây.

Hình 2: Sơ đồ mạch điện tra cứu trên App Auto ISM
1.2. ECM Pinout – Sơ đồ chân ECU
Auto ISM cung cấp:
- Tên chân (IGT1, IGT2, MREL, VF, VC, E2…)
- Màu dây
- Chân nguồn IG, B+, mass
- Chân tín hiệu từ cảm biến
- Chân điều khiển ra cơ cấu chấp hành
- Phân loại theo giắc A/B/C/D
Ví dụ chân ECU Toyota:
|
Chân |
Tín hiệu |
Chức năng |
|
A22-3 |
IGT1 |
Điều khiển đánh lửa xy-lanh 1 |
|
B11-2 |
OCV |
Điều khiển van VVT Intake |
|
C05-1 |
MAF SIG |
Tín hiệu cảm biến lưu lượng khí |
|
D21-4 |
THW |
Tín hiệu cảm biến nhiệt độ nước |
=> Đây là cơ sở quan trọng khi đo mạch.

Hình 3: ECU PINOUT tra cứu trên app Auto ISM
1.3. Component Location – Vị trí các cảm biến động cơ
Auto ISM cung cấp hình ảnh thực tế:
- CKP nằm ở đáy máy, cạnh bánh đà
- CMP nằm trên nắp cò
- MAF nằm trên ống hút khí
- MAP nằm trên cổ hút
- ECT nằm gần cổ nước
- OCV nằm ở mặt máy
- Bơm xăng nằm trong bình
- O2 trước/sau catalytic
=> Giảm 50% thời gian tìm linh kiện.
Hình 4: Tra cứu vị trí cảm biến trên App Auto ISM
1.4. Engine Mechanical – Sơ đồ cân cam
Một trong những tính năng quan trọng nhất đối với động cơ:
- Sơ đồ đánh dấu cam (Timing Mark)
- Chuỗi cam / dây đai cam
- Vị trí điểm TDC
- Gợi ý chiều quay crank
- Số mắt xích cần trùng
- Thứ tự đánh lửa (Firing Order)
Ví dụ:
Toyota 1TR-FE – đánh dấu cam:
- 1 điểm trên cam intake
- 1 điểm cam exhaust
- 2 mắt xích màu & 1 dấu crank
- TDC xy-lanh 1
=> Giúp gara thay dây cam chính xác, tránh nổ sai – rung giật.
Hình 5: Tra cứu sơ đồ cân cam trên App tài liệu ô tô Auto ISM
1.5. Hệ thống cảm biến – tài liệu chi tiết theo từng loại
Auto ISM chia theo từng module:
- MAF Sensor
Tài liệu gồm:
- Sơ đồ chân
- Màu dây
- Mạch nguồn 5V
- Mass cảm biến
- Dây tín hiệu
- Vị trí thực tế
- MAP Sensor
- Mạch 3 dây: VC – PIM – E2
- Dây nối về ECM rõ ràng
- CKP Sensor
- Cảm biến từ (magnetic): CKP+ – CKP–
- Hướng tín hiệu về ECM
- CMP Sensor
- Dạng hall → 3 dây: VC – G – E2
- Thứ tự đánh dấu răng cam
- O2 Sensor (AFS/Oxygen)
- Heater circuit
- Tín hiệu AF hoặc O2
- Ground shield
=> Và còn nhiều cảm biến khác.
2. Hướng dẫn đọc tài liệu động cơ bằng AutoISM (phiên bản chuyên gia)
Dưới đây là quy trình 5 bước chuẩn kỹ thuật giúp gara chẩn đoán chính xác.
Bước 1: Xác định hệ thống cần kiểm tra
Ví dụ:
- Xe rung giật → kiểm tra đánh lửa & phun
- Hao xăng → kiểm tra MAF, O2, nhiệt độ nước
- Không nổ → kiểm tra CKP/CMP, bơm xăng, MREL
- Báo P0171 → kiểm tra MAF, rò chân không, fuel trim
AutoISM giúp chọn đúng mục trong Engine System.
Bước 2: Mở Wiring Diagram liên quan
Trong AutoISM:
- Chọn hãng → đời xe → động cơ
- Mở “Engine Control Wiring”
- Xác định module (MAF, CKP, Injector, Ignition…)
Khi đọc sơ đồ:
- Xác định nguồn cấp: IG, B+
- Xác định mass E1, E2
- Xác định dây tín hiệu (SIG)
- Theo đường dây về ECM
=> Xác định điểm đo chính xác 100%.
Bước 3: Dò chân ECU theo Pinout
Từ sơ đồ:
- Tìm chân ECM tương ứng
- Xác định màu dây
- Xác định giắc A/B/C cụ thể
- Đo ohm – volt – continuity đúng điểm
Ví dụ:
Cảm biến MAP:
- Chân VC (5V) → ECM A19
- Chân PIM (tín hiệu) → ECM A12
- Chân E2 (mass) → ECM A23
Gara chỉ cần đo trực tiếp vào chân A12 để kiểm tra tín hiệu MAP.
Bước 4: Kết hợp Location để tìm cảm biến thực tế
AutoISM cung cấp ảnh và vị trí:
- Dễ tiếp cận hay phải tháo ống nạp?
- Phải tháo lọc gió hay không?
- Vị trí CMP bên trái hay bên phải?
=> Rút ngắn công tháo lắp.
Bước 5: Áp dụng sơ đồ cân cam khi cần
Trường hợp:
- Mất công suất
- Rung giật
- Báo lỗi lệch pha P0016 – P0017
- “Mới làm máy” nhưng xe không nổ
AutoISM cung cấp sơ đồ:
- TDC
- Đánh dấu cam
- Số mắt xích chuẩn
- Dấu trên trục crank
- Chiều quay
Giúp kỹ thuật viên kiểm tra cam cực nhanh.
3. Thực tế tại Gara
Xe báo P0171 (hỗn hợp nghèo)
- Mở AutoISM → sơ đồ MAF
- Xác định dây VC – E2 – SIG
- Đo tín hiệu SIG ở ECM → 0.2V (bất thường)
- Kiểm tra lại giắc MAF → oxy hóa
- Vệ sinh → xe chạy ổn định
=> Không thay bừa cảm biến.
Xe không nổ sau khi thay dây cam
- Mở Engine Mechanical → Timing Chain
- Phát hiện thợ trước lắp sai 1 răng
- Điều chỉnh lại đúng dấu
- Động cơ nổ ngay
=> Sơ đồ cân cam chính xác là chìa khóa.
Máy rung, báo P0302
- Mở sơ đồ đánh lửa → IGT2
- Kiểm tra chân ECM → bị đứt mass E2 chung
- Sửa dây → hết rung
=> Không thay coil – không mất tiền khách.
4. Lợi ích thực tế khi gara dùng Auto ISM cho động cơ
|
Lợi ích |
Giá trị thực tế |
|
Sơ đồ điện rõ ràng |
Xác định dây 100% không sai |
|
Pinout ECU đầy đủ |
Đo kiểm nhanh – chính xác |
|
Location trực quan |
Không tháo nhầm cảm biến |
|
Sơ đồ cân cam chuẩn |
Tránh lệch pha – tránh hư máy |
|
Tài liệu chữ Việt dễ hiểu |
Dành riêng cho thị trường Việt Nam |
|
Tiết kiệm 60–70% thời gian |
Hiệu suất gara tăng rõ rệt |
Kết luận – Auto ISM là bộ tài liệu động cơ chuẩn xưởng
Nhờ:
- Sơ đồ mạch đầy đủ
- Pinout ECM chính xác
- Sơ đồ cân cam chi tiết
- Vị trí linh kiện rõ ràng
- Màu dây đúng chuẩn nhà máy
Auto ISM trở thành bộ tài liệu động cơ không thể thiếu cho mọi gara – từ thợ mới đến chuyên gia.
- Hotline 1800.64.64.47
- Tải ứng dụng tại OBD Việt Nam
Để xem nhiều tài liệu hơn hãy đăng kí App Auto ISM: TẠI ĐÂY
Auto ISM – Giải pháp chuyên gia, đồng hành toàn diện cùng gara Việt trong kỷ nguyên xe điện.
- Liên hệ hỗ trợ & nâng cấp: 0932 113 115
Xem thêm:
- Hướng dẫn sử dụng Auto ISM từ A–Z cho người mới bắt đầu
- Cách Tra Mã Lỗi P0171 Trên Toyota Vios Bằng Auto ISM
- Auto Ism Free Vs Pro – Nên Chọn Phiên Bản Nào Cho Gara Của Bạn?
CẢM ƠN BẠN ĐỌC!
OBDVIETNAM
Tin liên quan
- Tra cứu tài liệu điện điều hòa ô tô bằng Auto ISM – Hướng dẫn chuyên sâu
- Hướng dẫn tra cứu sơ đồ mạch điện ô tô nâng cao bằng AutoISM
- Auto ISM phân loại tài liệu sửa chữa ô tô theo hệ thống như thế nào?
- Bên trong hệ thống dữ liệu AutoISM – Quy trình tạo tài liệu kỹ thuật ô tô chuẩn xưởng
- Phân tích lỗi P2757 – Solenoid hộp số Toyota Fortuner bằng Auto ISM
- Lỗi P0455 Toyota Raize – Rò rỉ lớn hệ thống EVAP, cách xử lý bằng Auto ISM
- Hướng Dẫn Xử Lý Mã Lỗi P0351 – Cuộn Đánh Lửa A Corolla Cross Bằng Auto Ism
- Mã Lỗi P0627 – Mạch Bơm Nhiên Liệu Trên Toyota Veloz, Tra Cứu Bằng Auto ISM
- Cách Tra Mã Lỗi P0193 – Áp Suất Nhiên Liệu Cao Trên Toyota Rush Bằng Auto ISM
- Mã Lỗi P0102 – Cảm biến MAF tín hiệu thấp trên Toyota Hilux (Hướng dẫn xử lý bằng Auto ISM)
Danh mục tin tức
- Hành Trình Chuyển Giao
- Cẩm Nang Sửa Chữa Ô Tô
- Sự Kiện OBD Việt Nam
- Kiến Thức Ô Tô
- Chăm Sóc Xe Ô Tô
- Tiếng Anh Chuyên Ngành Ô Tô
- Hướng Dẫn Sử Dụng Phần Mềm
- Hướng Dẫn Sử Dụng Máy Chẩn Đoán
- Đánh Giá Máy Đọc Lỗi
- Kiến thức xe tải nặng, máy công trình
- Bản Tin Công Nghệ Ô Tô
- Chia Sẻ Tài Liệu Ô Tô
- Cảm Nhận Của Khách Hàng
- Thông Tin Cần Biết
- Setup Garage Chuyên Nghiệp
- Hỏi Đáp Sản Phẩm
Tin xem nhiều
Hướng dẫn đọc tài liệu động cơ ô tô bằng Auto ISM – Phiên bản chuyên gia
Tra cứu tài liệu điện điều hòa ô tô bằng Auto ISM – Hướng dẫn chuyên sâu
Hướng dẫn tra cứu sơ đồ mạch điện ô tô nâng cao bằng AutoISM
Auto ISM phân loại tài liệu sửa chữa ô tô theo hệ thống như thế nào?
Bên trong hệ thống dữ liệu AutoISM – Quy trình tạo tài liệu kỹ thuật ô tô chuẩn xưởng
Vui lòng điền vào mẫu dưới đây, để chúng tôi có thể cung cấp cho bạn thông tin cập nhật về những thông tin mới của chúng tôi