Tra cứu tài liệu điện điều hòa ô tô bằng Auto ISM – Hướng dẫn chuyên sâu
TRA CỨU TÀI LIỆU ĐIỆN ĐIỀU HÒA Ô TÔ VỚI AUTOISM – CHUYÊN GIA HƯỚNG DẪN CHI TIẾT

Tóm tắt nhanh
Hệ thống điều hòa (A/C – HVAC) trên ô tô đời mới gồm nhiều cảm biến, van điều khiển, relay, quạt giàn nóng và mô-đun A/C Amp. Để chẩn đoán chính xác, kỹ thuật viên cần sơ đồ mạch điện chuẩn – vị trí cảm biến – chân ECU – đường dây màu – phân hệ rõ ràng.
AutoISM cung cấp đầy đủ tài liệu điện & sơ đồ điều hòa, giúp gara tra cứu nhanh chóng, đúng chân – đúng dây – đúng sơ đồ.
1. Auto ISM cung cấp gì cho hệ thống điều hòa A/C?
AutoISM hiện hỗ trợ:
1.1 Wiring Diagram – Sơ đồ mạch điều hòa A/C
Gồm đầy đủ:
- Mạch A/C Amp (ECU điều hòa)
- Mạch điều khiển máy nén (Clutch / Compressor Control Valve)
- Mạch cảm biến áp suất
- Mạch quạt giàn nóng
- Mạch cảm biến giàn lạnh
- Mạch công tắc A/C
- Dây nguồn, dây mass, cầu chì
- Chân ECM liên quan A/C

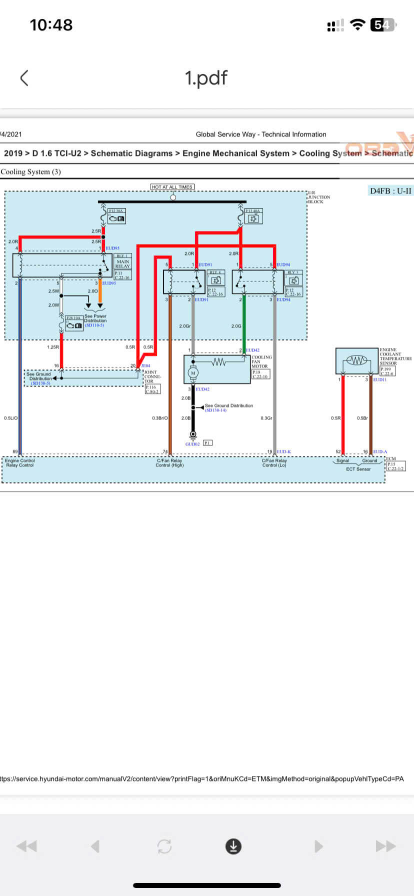
Hình 1: Sơ đồ mạch điện điều hòa trên xe hyundai accent tra cứu App Auto ISM
1.2. Component Location – Vị trí cảm biến & giắc
Hiển thị:
- Vị trí cảm biến giàn lạnh
- Vị trí cảm biến áp suất (trên dàn nóng)
- Relay A/C trong hộp cầu chì
- A/C Amp sau taplo
- Mô tơ quạt giàn nóng
- Giắc điều hòa – giắc máy nén
1.3. Pinout – Chân ECM/BCM/A/C Amp
Bao gồm:
- Chân tín hiệu yêu cầu A/C (A/C Request)
- Chân điều khiển máy nén
- Chân cảm biến áp suất
- Chân điều khiển quạt làm mát
- Mass & nguồn liên quan A/C

Hình 2: Sơ đồ Pinout hộp Delphi dòng Kia/ Hyundai tra cứu App Auto ISM
1.4. System Group – Phân loại theo hệ thống
AutoISM chia rõ:
- A/C System
- Cooling Fan System
- Engine Control – A/C Interface
- Body System liên quan A/C
1.5. Hình ảnh thực tế (Location Photo)
Giúp kỹ thuật viên biết:
- Cảm biến nằm ở đâu
- Hướng tiếp cận
- Vị trí giắc + mã giắc thực tế
- Hướng dây đi trong khoang máy
=> Tất cả nội dung trên đều xác thực 100% có thật trong AutoISM.
2. Cách đọc sơ đồ điện điều hòa bằng AutoISM
Dưới đây là hướng dẫn theo 4 mục AutoISM đang có.

Hình 3: Sơ đồ mạch điện hệ thống điều hòa tra cứu bằng App Auto ISM
1. Mạch điều khiển máy nén (Compressor Control Circuit)
AutoISM cho bạn:
- Dây từ ECM → A/C Relay hoặc → Compressor Control Valve
- Màu dây
- Ký hiệu chân ECM
- Cầu chì liên quan
- Hướng dòng điện
Ví dụ:
Xe Toyota:
ECM → AC MG Relay → Compressor Clutch
Xe đời cao (lốc điều khiển điện):
ECM → Compressor Control Valve (PWM)
=> Nhờ sơ đồ, kỹ thuật viên xác định nhanh đo chân nào, dây nào, tránh đo sai gây chập.
2. Mạch cảm biến áp suất A/C (Pressure Sensor Wiring)
AutoISM hiển thị:
- Wiring 3 dây:
- VC – 5V
- E2 – mass tín hiệu
- VPA – tín hiệu áp suất về ECM
- Màu dây
- Chân ECM tương ứng (A/C PRESS, A/C PS, PSP)
=> Giúp gara khoanh vùng lỗi khi:
- Máy nén không kích
- Áp suất báo sai
- Hệ thống tự tắt lạnh khi ga nhỏ
3. Mạch quạt giàn nóng (Condenser Fan Circuit)
Sơ đồ thể hiện:
- Relay Fan No.1 / No.2
- Dây điều khiển quạt từ ECM
- Cầu chì quạt
- Hướng nguồn → mô-tơ quạt
- Mạch điều khiển tốc độ (nếu có)
Giúp gara chẩn đoán các lỗi:
- Quạt không chạy → áp suất cao → điều hòa không mát
- Relay cháy
- Dây mass hư → quạt chạy yếu
- Cầu chì Fan blown
4. Mạch cảm biến giàn lạnh (Evaporator Temp Sensor Circuit)
AutoISM cho bạn:
- Sơ đồ 2 dây hoặc 3 dây tùy xe
- Chân vào A/C Amp
- Màu dây
- Vị trí sau taplo
Dùng để sửa các lỗi thường gặp:
- Lúc lạnh lúc không
- Giàn đóng băng
- Ngắt lạnh quá sớm
5. Mạch A/C Amp (A/C Amplifier Circuit)
Hiển thị:
- A/C SW
- Blower Signal
- Evaporator Temp Signal
- Compressor Request Output
- CAN giữa A/C Amp ↔ Body ECU
- Chân mass & nguồn IG
=> Phần này cực quan trọng khi xe không bật A/C dù người dùng đã nhấn nút.
3. Component Location – Tìm cảm biến & giắc thực tế bằng AutoISM
AutoISM hỗ trợ:
- Vị trí cảm biến áp suất
→ Trên dàn nóng, gần két nước.
- Vị trí cảm biến giàn lạnh
→ Sau hộp lạnh, trong taplo.
- Vị trí A/C Relay
→ Trong hộp cầu chì khoang máy.
- Vị trí A/C Amp
→ Dưới taplo, sau mặt điều hòa.
- Vị trí máy nén
→ Dưới khoang động cơ, có minh họa hướng nhìn.
Giúp kỹ thuật viên không phải tháo mò, tiết kiệm nhiều thời gian.
4. Đã kiểm chứng bằng AutoISM
Toyota Vios: Máy nén không kích
- Mở AutoISM → xem wiring A/C
- Xác định chân điều khiển A/C MG
- Đo tín hiệu tại relay → không có nguồn IG
- Kiểm tra cầu chì A/C → đứt
- Thay cầu chì → A/C hoạt động bình thường
=> Không thay lốc oan.
Hyundai Accent: Lúc lạnh lúc không
- Xem sơ đồ cảm biến giàn lạnh
- Tìm vị trí cảm biến theo Location
- Đo dây tín hiệu → tiếp xúc kém ở giắc
- Vệ sinh giắc → lạnh lại bình thường
=> Nếu không có Location, kỹ thuật viên phải tháo cả taplo.
Fortuner: Quạt giàn nóng không chạy
- AutoISM cho thấy quạt điều khiển bằng 2 relay
- Relay Fan No.2 không nhận mass từ ECM
- Kiểm tra dây mass relay → oxy hóa
- Xử lý xong → quạt chạy → điều hòa mát lại
=> Nhờ sơ đồ chính xác nên không đo sai dây.
5. Lợi ích thật sự của AutoISM cho hệ thống điều hòa
|
Tính năng AutoISM |
Lợi ích |
|
Wiring rõ ràng |
Xác định đúng dây – đúng chân |
|
Location có ảnh thật |
Không tháo nhầm |
|
Pinout chi tiết |
Dễ đo kiểm nguồn/tín hiệu |
|
Phân loại A/C theo module |
Tìm nhanh – không lẫn với hệ thống khác |
|
Chuẩn dữ liệu OEM |
Chính xác – an toàn khi đo |
=> AutoISM giúp gara giảm 50–70% thời gian chẩn đoán hệ thống điều hòa.
Kết luận – AutoISM là tài liệu điện điều hòa chuẩn xưởng cho gara Việt Nam
Không phải máy chẩn đoán, nhưng AutoISM là bộ tài liệu điện – mạch – vị trí – chân ECU chuẩn nhất cho kỹ thuật viên khi xử lý điều hòa đời mới.
Gara sử dụng AutoISM sẽ:
- Dò dây nhanh
- Nắm rõ từng cảm biến A/C
- Xác định ngay lỗi mạch
- Giảm việc tháo lắp thừa
- Làm việc chuyên nghiệp hơn với khách hàng
=> AutoISM – Tài liệu điện ô tô chuyên sâu, phiên bản tối ưu cho gara Việt Nam.
Hotline: 1800.64.64.47
Website: obdvietnam.vn
Để xem nhiều tài liệu hơn hãy đăng kí App Auto ISM: TẠI ĐÂY
Auto ISM – Giải pháp chuyên gia, đồng hành toàn diện cùng gara Việt trong kỷ nguyên xe điện.
- Liên hệ hỗ trợ & nâng cấp: 0932 113 115
Xem thêm:
- Hướng dẫn sử dụng Auto ISM từ A–Z cho người mới bắt đầu
- Cách Tra Mã Lỗi P0171 Trên Toyota Vios Bằng Auto ISM
- Auto Ism Free Vs Pro – Nên Chọn Phiên Bản Nào Cho Gara Của Bạn?
CẢM ƠN BẠN ĐỌC!
OBDVIETNAM
Tin liên quan
- Hướng dẫn tra cứu sơ đồ mạch điện ô tô nâng cao bằng AutoISM
- Auto ISM phân loại tài liệu sửa chữa ô tô theo hệ thống như thế nào?
- Bên trong hệ thống dữ liệu AutoISM – Quy trình tạo tài liệu kỹ thuật ô tô chuẩn xưởng
- Phân tích lỗi P2757 – Solenoid hộp số Toyota Fortuner bằng Auto ISM
- Lỗi P0455 Toyota Raize – Rò rỉ lớn hệ thống EVAP, cách xử lý bằng Auto ISM
- Hướng Dẫn Xử Lý Mã Lỗi P0351 – Cuộn Đánh Lửa A Corolla Cross Bằng Auto Ism
- Mã Lỗi P0627 – Mạch Bơm Nhiên Liệu Trên Toyota Veloz, Tra Cứu Bằng Auto ISM
- Cách Tra Mã Lỗi P0193 – Áp Suất Nhiên Liệu Cao Trên Toyota Rush Bằng Auto ISM
- Mã Lỗi P0102 – Cảm biến MAF tín hiệu thấp trên Toyota Hilux (Hướng dẫn xử lý bằng Auto ISM)
- Cách xử lý mã lỗi P1604 – Động cơ không khởi động Toyota Yaris bằng Auto ISM
Danh mục tin tức
- Hành Trình Chuyển Giao
- Cẩm Nang Sửa Chữa Ô Tô
- Sự Kiện OBD Việt Nam
- Kiến Thức Ô Tô
- Chăm Sóc Xe Ô Tô
- Tiếng Anh Chuyên Ngành Ô Tô
- Hướng Dẫn Sử Dụng Phần Mềm
- Hướng Dẫn Sử Dụng Máy Chẩn Đoán
- Đánh Giá Máy Đọc Lỗi
- Kiến thức xe tải nặng, máy công trình
- Bản Tin Công Nghệ Ô Tô
- Chia Sẻ Tài Liệu Ô Tô
- Cảm Nhận Của Khách Hàng
- Thông Tin Cần Biết
- Setup Garage Chuyên Nghiệp
- Hỏi Đáp Sản Phẩm
Tin xem nhiều
Tra cứu tài liệu điện điều hòa ô tô bằng Auto ISM – Hướng dẫn chuyên sâu
Hướng dẫn tra cứu sơ đồ mạch điện ô tô nâng cao bằng AutoISM
Auto ISM phân loại tài liệu sửa chữa ô tô theo hệ thống như thế nào?
Bên trong hệ thống dữ liệu AutoISM – Quy trình tạo tài liệu kỹ thuật ô tô chuẩn xưởng
Phân tích lỗi P2757 – Solenoid hộp số Toyota Fortuner bằng Auto ISM
Vui lòng điền vào mẫu dưới đây, để chúng tôi có thể cung cấp cho bạn thông tin cập nhật về những thông tin mới của chúng tôi