Mã Lỗi P0627 – Mạch Bơm Nhiên Liệu Trên Toyota Veloz, Tra Cứu Bằng Auto ISM
MÃ LỖI P0627 – MẠCH BƠM NHIÊN LIỆU TRÊN TOYOTA VELOZ, TRA CỨU BẰNG AUTO ISM

Giới thiệu: Vì sao mã lỗi P0627 trên Toyota Veloz nguy hiểm?
Trên các dòng xe Toyota Veloz 2022, hệ thống bơm nhiên liệu là bộ phận cực kỳ quan trọng, đảm bảo đủ áp suất nhiên liệu cho kim phun hoạt động đúng thời điểm.
Khi ECM (Engine Control Module) phát hiện mạch điều khiển bơm nhiên liệu – Fuel Pump Control Circuit – bị hở, ngắt, hoặc hoạt động bất thường, hệ thống sẽ ghi nhận lỗi:
P0627 – Fuel Pump “A” Control Circuit / Open
Lỗi này khiến xe khó nổ, mất công suất, chết máy đột ngột – gây nguy hiểm khi đang lưu thông.
Trong bài viết này, OBD Việt Nam sẽ hướng dẫn gara cách bắt bệnh P0627 bằng Auto ISM, sử dụng sơ đồ mạch điện chính hãng để kiểm tra bơm nhiên liệu, relay, dây tín hiệu, mass và ECU điều khiển, giúp bạn xử lý lỗi một cách chính xác – không đoán mò.

Hình 1: Lỗi mắc phải trên dòng xe Toyota Veloz
1. Triệu chứng khi Toyota Veloz gặp lỗi P0627
Xe Toyota Veloz báo lỗi P0627 thường xuất hiện với các hiện tượng:
- Đèn Check Engine bật ngay khi nổ máy.
- Khó nổ, đặc biệt khi xe để qua đêm.
- Bơm nhiên liệu không hoạt động khi bật khóa ON.
- Động cơ đề nhưng không nổ (cranking nhưng không start).
- Xe giật khi tăng tốc, chết máy khi chạy chậm.
- Một số trường hợp áp suất nhiên liệu thấp bất thường do bơm không đủ dòng.
Khi quét lỗi, máy chẩn đoán hiển thị:
P0627 – Fuel Pump A Control Circuit / Open
Hình 2: Mô tả mã lỗi P0627 tra cứu trên App Auto ISM
2. Mạch bơm nhiên liệu Toyota Veloz 2022 hoạt động thế nào?
Dựa theo sơ đồ điện trong Auto ISM, hệ thống cung cấp nhiên liệu trên Toyota Veloz 2022 gồm:
- ECU động cơ – điều khiển đóng/mở bơm.
- Fuel Pump Relay – đóng ngắt điện 12V cho bơm.
- Fuel Pump (bơm xăng) – bơm nhiên liệu lên rail.
- Cầu chì EFI/IG2 – bảo vệ nguồn.
- Mass (GND) – đảm bảo dòng điện về khung xe.
- Dây tín hiệu FP_CTL từ ECU – ra lệnh cho relay bơm.
Hoạt động cơ bản:
- Khi bật khóa ON → ECU gửi lệnh kích relay bơm.
- Relay đóng → cấp 12V cho bơm nhiên liệu → bơm hoạt động 2 giây tạo áp suất.
- Khi đề máy ECM tiếp tục giữ relay hoặc điều khiển PWM (tùy dòng đời).
Nếu bất kỳ mạch nào bị hở → ECU không điều khiển được bơm → báo lỗi P0627.
3. Nguyên nhân P0627 trên Toyota Veloz 2022 (Thực tế gara gặp nhiều nhất)
|
Nhóm nguyên nhân |
Mô tả chi tiết |
Khả năng gặp |
|
Relay bơm nhiên liệu hỏng |
Relay không đóng, tiếp điểm cháy, bị nước vào |
Rất cao |
|
Dây tín hiệu FP_CTL từ ECU bị đứt/chạm |
Xe rung, chuột cắn, oxy hóa giắc |
Cao |
|
Mass bơm lỏng/oxy hóa |
Khi tải nặng, bơm tụt dòng |
Cao |
|
Bơm nhiên liệu quá tải |
Bơm yếu → ECU tăng duty → lỗi mạch |
Trung bình |
|
Cầu chì EFI đứt/tiếp xúc kém |
Nguồn không cấp đến relay |
Trung bình |
|
ECU lỗi (hiếm) |
Mạch driver FP trong ECU chết |
Rất thấp |
4. Hướng dẫn chẩn đoán P0627 bằng Auto ISM (đầy đủ từng bước)
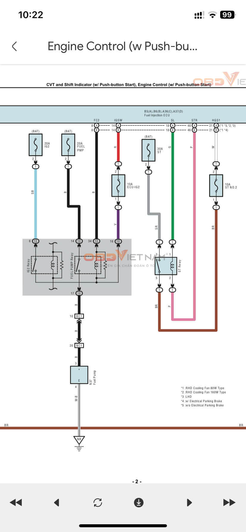
Bước 1 – Xem sơ đồ mạch bơm nhiên liệu trên Auto ISM
Truy cập:
Auto ISM → Toyota → Veloz 2022 → Engine → Wiring Diagram → Fuel Pump Control Circuit
Bạn sẽ thấy:
- Chân điều khiển bơm từ ECU: FP_CTL
- Relay bơm: C/OPN Relay (Circuit Opening Relay)
- Nguồn: +B, IG2, EFI Fuse
- Mát: E1 – Fuel Pump Ground
Mục tiêu: xác định đúng chân để đo – không đo nhầm gây chập cháy.
Hình 3: Sơ đồ mạch điện tra cứu trên App Auto ISM
Bước 2 – Kiểm tra hoạt động bơm khi bật khóa
- Mở khóa ON → bơm phải “kêu” khoảng 2 giây.
- Nếu không nghe tiếng bơm → lỗi nằm ở:
- Relay
- Cầu chì
- Bơm
- Dây nguồn
Dùng Auto ISM để kiểm tra sơ đồ → xác định dây nguồn bơm (FP+B).
Bước 3 – Kiểm tra nguồn cấp +B và IG2
- Dùng đồng hồ đo cầu chì EFI, IG2 → phải có 12V.
- Nếu không có nguồn → lỗi tại:
- Cầu chì
- Hộp fusible link
- Dây +B
Bước 4 – Kiểm tra relay bơm nhiên liệu (C/OPN Relay)
Auto ISM hiển thị rõ:
- Dây điều khiển relay từ ECU → IG2 signal
- Dây ra bơm: FP-B
- Dây mass relay
Kiểm tra:
- Tháo relay → đo cuộn hút
- Cấp thử 12V → kiểm tra relay đóng
- Kiểm tra tiếp điểm có bị cháy đen không
=> 65% lỗi P0627 thực tế là do relay.
Bước 5 – Kiểm tra dây tín hiệu FP_CTL từ ECU
- Rút giắc ECU → đo điện trở đến relay bơm.
- Nếu điện trở >1Ω → dây bị oxy hóa/hở.
- Nếu chập mass → ECU không kích relay được → báo P0627.
Bước 6 – Kiểm tra mát bơm nhiên liệu (Ground)
Theo sơ đồ Auto ISM, mát bơm về điểm nối E1 (Fuel Pump Ground).
- Đo trở kháng mass: phải <0.3Ω.
- Nếu mass yếu → bơm hoạt động chập chờn → ECM hiểu nhầm mạch hở → P0627.
Bước 7 – Kiểm tra bơm nhiên liệu thực tế
Dòng tiêu chuẩn: 3–6A tùy tải.
Nếu dòng vượt ngưỡng, ECM tự ngắt bảo vệ → P0627 xuất hiện.
Kiểm tra:
- Lọc xăng bẩn
- Bơm yếu → dòng kéo tăng
- Lỗi cơ cấu bên trong bơm
=> Nếu dòng vượt 8–10A → thay bơm ngay.
5. Ca thực tế tại gara OBD Việt Nam
Một gara tại Đồng Nai tiếp nhận Toyota Veloz 2022:
Triệu chứng:
- Lúc nổ được, lúc không.
- Đèn Check Engine sáng.
- Đề máy lâu, có lúc hoàn toàn không nổ.
Kiểm tra bằng Auto ISM:
- Quét lỗi → P0627 – Fuel Pump Control Circuit / Open
- Xem sơ đồ mạch bơm → kiểm tra relay → relay đóng không đều
- Kiểm tra giắc relay → phát hiện giắc oxy hóa nhẹ do ẩm nước
- Vệ sinh + làm lại tiếp xúc, siết chặt chân relay
- Xóa lỗi – chạy thử 20 km
Kết quả:
- Xe nổ ổn định
- Không tái xuất hiện mã lỗi
- Không cần thay bơm – tiết kiệm chi phí cho khách
- Thời gian sửa chữa: 40 phút
- Ưu điểm: Auto ISM giúp xác định đúng vị trí giắc và mạch relay – không mất thời gian dò dây.
6. Lợi ích khi dùng Auto ISM để bắt bệnh P0627
|
Lợi ích |
Chi tiết |
|
Sơ đồ mạch bơm nhiên liệu chi tiết |
Hiển thị FP_CTL, relay, nguồn, mass chính xác theo từng đời xe |
|
Location Diagram |
Chỉ vị trí thực tế relay, bơm, cầu chì trong xe |
|
Data List Fuel Pump |
Xem tín hiệu điều khiển trong thời gian thực |
|
Hướng dẫn xử lý P0627 |
Có flowchart xử lý từng bước chuẩn gara |
|
Giảm thời gian dò dây 60–70% |
Không cần tra Google hoặc đọc tài liệu cồng kềnh |
7. Kết luận & Lời khuyên từ OBD Việt Nam
Mã lỗi P0627 trên Toyota Veloz 2022 thường liên quan đến:
- Relay bơm
- Dây tín hiệu FP_CTL
- Cầu chì EFI
- Mass bơm
- Bơm nhiên liệu yếu
Với Auto ISM, kỹ thuật viên có thể:
- Tra sơ đồ nhanh
- Kiểm tra đúng chân mạch
- Phân tích tín hiệu điều khiển
- Xác định lỗi chính xác không cần đoán mò
Auto ISM – trợ thủ không thể thiếu của gara chuyên nghiệp.
Liên hệ ngay Hotline 1800.64.64.47
hoặc tải ứng dụng tại OBD Việt Nam để được hỗ trợ kỹ thuật miễn phí.
Link tải tài liệu: Sơ đồ mạch điện Toyota Veloz 2022
Để xem nhiều tài liệu hơn hãy đăng kí App Auto ISM: TẠI ĐÂY
Auto ISM – Giải pháp chuyên gia, đồng hành toàn diện cùng gara Việt trong kỷ nguyên xe điện.
- Liên hệ hỗ trợ & nâng cấp: 0932 113 115
Xem thêm:
- Hướng dẫn sử dụng Auto ISM từ A–Z cho người mới bắt đầu
- Cách Tra Mã Lỗi P0171 Trên Toyota Vios Bằng Auto ISM
- Auto Ism Free Vs Pro – Nên Chọn Phiên Bản Nào Cho Gara Của Bạn?
CẢM ƠN BẠN ĐỌC!
OBDVIETNAM
Tin liên quan
- So sánh tài liệu ô tô AutoISM và PDF - Vì sao gara nên chuyển đổi?
- Cấu Tạo Và Nguyên Lý Hoạt Động Hệ Thống Common Rail Diesel
- Phân tích bộ tài liệu hộp số tự động Auto ISM – Dành cho kỹ thuật viên nâng cao
- Hướng dẫn đọc tài liệu động cơ ô tô bằng Auto ISM – Phiên bản chuyên gia
- Tra cứu tài liệu điện điều hòa ô tô bằng Auto ISM – Hướng dẫn chuyên sâu
- Hướng dẫn tra cứu sơ đồ mạch điện ô tô nâng cao bằng AutoISM
- Auto ISM phân loại tài liệu sửa chữa ô tô theo hệ thống như thế nào?
- Bên trong hệ thống dữ liệu AutoISM – Quy trình tạo tài liệu kỹ thuật ô tô chuẩn xưởng
- Phân tích lỗi P2757 – Solenoid hộp số Toyota Fortuner bằng Auto ISM
- Lỗi P0455 Toyota Raize – Rò rỉ lớn hệ thống EVAP, cách xử lý bằng Auto ISM
Danh mục tin tức
- Hành Trình Chuyển Giao
- Cẩm Nang Sửa Chữa Ô Tô
- Sự Kiện OBD Việt Nam
- Kiến Thức Ô Tô
- Chăm Sóc Xe Ô Tô
- Tiếng Anh Chuyên Ngành Ô Tô
- Hướng Dẫn Sử Dụng Phần Mềm
- Hướng Dẫn Sử Dụng Máy Chẩn Đoán
- Đánh Giá Máy Đọc Lỗi
- Kiến thức xe tải nặng, máy công trình
- Bản Tin Công Nghệ Ô Tô
- Chia Sẻ Tài Liệu Ô Tô
- Cảm Nhận Của Khách Hàng
- Thông Tin Cần Biết
- Setup Garage Chuyên Nghiệp
- Hỏi Đáp Sản Phẩm
Tin xem nhiều
So sánh tài liệu ô tô AutoISM và PDF - Vì sao gara nên chuyển đổi?
Cấu Tạo Và Nguyên Lý Hoạt Động Hệ Thống Common Rail Diesel
Phân tích bộ tài liệu hộp số tự động Auto ISM – Dành cho kỹ thuật viên nâng cao
Hướng dẫn đọc tài liệu động cơ ô tô bằng Auto ISM – Phiên bản chuyên gia
Tra cứu tài liệu điện điều hòa ô tô bằng Auto ISM – Hướng dẫn chuyên sâu
Vui lòng điền vào mẫu dưới đây, để chúng tôi có thể cung cấp cho bạn thông tin cập nhật về những thông tin mới của chúng tôi