Mã Lỗi P0102 – Cảm biến MAF tín hiệu thấp trên Toyota Hilux (Hướng dẫn xử lý bằng Auto ISM)
MÃ LỖI P0102 – CẢM BIẾN MAF TÍN HIỆU THẤP TRÊN TOYOTA HILUX (HƯỚNG DẪN XỬ LÝ BẰNG AUTO ISM)
Giới thiệu
Trên các dòng xe Toyota Hilux, Fortuner, Camry, Innova…, cảm biến MAF (Mass Air Flow Sensor) đóng vai trò rất quan trọng trong việc xác định lượng khí nạp vào động cơ. Dữ liệu từ MAF giúp ECM (Engine Control Module) tính toán chính xác lượng nhiên liệu phun, đảm bảo hòa khí tối ưu cho hiệu suất, tiết kiệm nhiên liệu và khí thải sạch.
Khi hệ thống điều khiển phát hiện tín hiệu điện áp từ MAF thấp hơn ngưỡng cho phép, ECM ghi nhận mã lỗi P0102 – Mass or Volume Air Flow Circuit Low Input.
Đây là một lỗi điện tử phổ biến nhưng rất dễ xử lý nếu nắm rõ nguyên lý cảm biến và biết cách khai thác dữ liệu bằng Auto ISM – công cụ tra cứu mạch điện và thông số kỹ thuật thông minh dành cho gara.
Hình 1: Xử lý mã lỗi P0102 trên xe Toyota Hilux 2020
1. Chức năng và nguyên lý hoạt động của cảm biến MAF trên Hilux 2020
Trên Toyota Hilux 2020 (động cơ 1GD-FTV), cảm biến MAF là loại hot-film sensor tích hợp thêm cảm biến nhiệt độ khí nạp (IAT). Cấu tạo gồm:
- Dây nhiệt (Hot wire): được làm nóng bởi dòng điện 5V từ ECM.
- Cảm biến đo nhiệt độ môi trường: xác định mức chênh lệch nhiệt giữa dây nóng và không khí nạp.
- Mạch bù nhiệt và khuếch đại tín hiệu: giúp ECM tính toán chính xác lưu lượng khí (g/s).
Khi không khí đi qua, dây nhiệt bị làm mát → điện trở thay đổi → điện áp tín hiệu VG gửi về ECM giảm.
ECM dựa vào điện áp này để xác định khối lượng không khí thực tế vào buồng đốt.
Giá trị điện áp cảm biến MAF tiêu chuẩn (Hilux 1GD-FTV)
|
Điều kiện |
Điện áp tín hiệu (V) |
Lưu lượng khí (g/s) |
|
Bật khóa ON, động cơ OFF |
0.3 – 0.6 V |
0 g/s |
|
Không tải (Idle) |
0.9 – 1.3 V |
6 – 10 g/s |
|
2500 vòng/phút |
1.8 – 2.5 V |
20 – 30 g/s |
|
Tăng tốc (full throttle) |
3.5 – 4.5 V |
> 70 g/s |
Nếu giá trị tín hiệu VG thấp hơn 0.2 V trong thời gian dài, ECM sẽ ghi nhận mã lỗi P0102.
2. Dấu hiệu nhận biết lỗi P0102 trên Toyota Hilux
Khi cảm biến MAF báo tín hiệu thấp, xe có thể có các biểu hiện sau:
- Đèn Check Engine sáng.
- Xe yếu, tăng tốc chậm, có khói đen nhẹ (đối với động cơ dầu).
- Hao nhiên liệu, vòng tua không ổn định.
- Khó nổ máy buổi sáng hoặc sau khi rửa khoang máy.
- ECU chuyển sang chế độ dự phòng (Fail-safe Mode) → dùng giá trị MAF mặc định (~2.0 V) → xe vẫn nổ nhưng công suất giảm mạnh.
3. Nguyên nhân phổ biến gây ra lỗi P0102
|
Nhóm nguyên nhân |
Mô tả chi tiết |
Cách xác định bằng Auto ISM |
|
Cảm biến MAF bẩn hoặc hỏng |
Dây nhiệt bị bám bụi, dầu, cặn làm giảm độ nhạy tín hiệu. |
Quan sát điện áp MAF trong Data List của Auto ISM (thấp hơn tiêu chuẩn). |
|
Nguồn 5V hoặc mass yếu |
Dây VC (5V) hoặc E2 (mass) đứt / tiếp xúc kém. |
Tra sơ đồ mạch MAF trong Auto ISM, đo điện áp từng chân. |
|
Ống gió rò rỉ sau MAF |
Ống nạp khí, lọc gió hoặc cổ hút bị hở → không khí lọt ngoài tầm đo. |
Dò rò rỉ bằng máy khói, hoặc quan sát Fuel Trim trong Auto ISM. |
|
Lọc gió bẩn hoặc lắp ngược |
Cản trở luồng khí nạp, làm ECM tính sai lưu lượng. |
Kiểm tra thực tế và so sánh giá trị g/s. |
|
Dây tín hiệu VG chập mass / đứt |
Mạch tín hiệu từ MAF về ECM bị lỗi, ECM đọc sai giá trị. |
Xem chân VG và E2 trong sơ đồ Auto ISM. |
|
ECM lỗi (rất hiếm) |
Bộ vi xử lý ECM không đọc đúng tín hiệu analog. |
Chỉ kiểm tra sau khi loại trừ toàn bộ nguyên nhân khác. |
4. Quy trình chẩn đoán lỗi P0102 bằng Auto ISM
Bước 1: Xác nhận lỗi và dữ liệu khung
- Dùng máy chẩn đoán đọc mã → P0102 – Mass Air Flow Circuit Low Input.
- Mở Auto ISM → Toyota → Hilux 2020 → Engine: 1GD-FTV → MAF Sensor (g/s, Voltage).
- Quan sát: nếu điện áp VG = 0.1–0.2 V (dưới chuẩn), cảm biến hoặc nguồn có vấn đề.

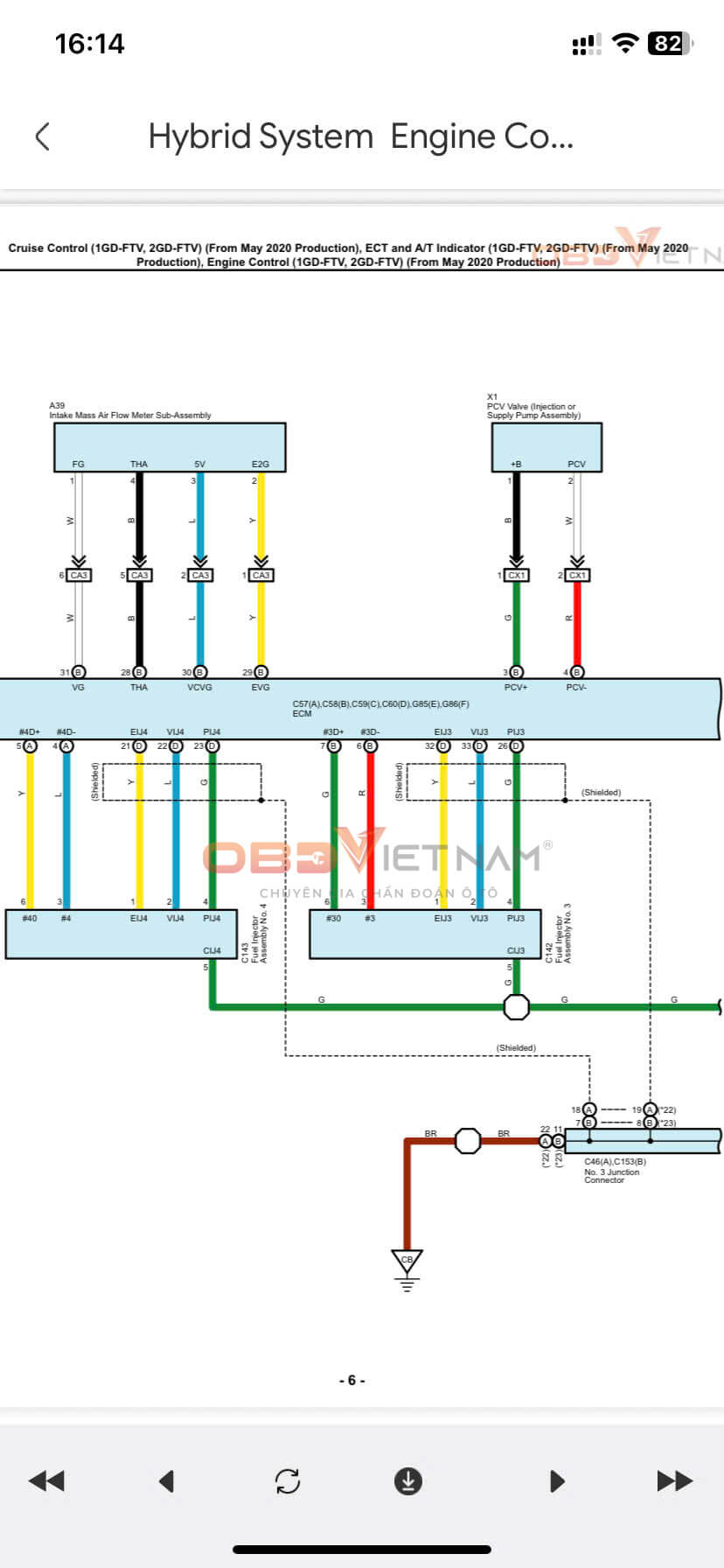
Hình 2: Tra cứu sơ đồ mạch điện xe Toyota Hilux trên App Auto ISM
Bước 2: Tra sơ đồ mạch cảm biến MAF
Auto ISM hiển thị sơ đồ Wiring Diagram – MAF Circuit, gồm 5 chân:
|
Ký hiệu |
Chức năng |
Giá trị tiêu chuẩn |
|
VC |
Nguồn tham chiếu 5V từ ECM |
4.9 – 5.1 V |
|
VG |
Tín hiệu đầu ra MAF → ECM |
0.3 – 4.5 V |
|
THA |
Cảm biến nhiệt độ khí nạp (IAT) |
2.5 – 3.0 V |
|
E2 |
Mass tín hiệu |
0 V |
|
+B |
Nguồn 12V sau khóa |
11 – 14 V |
Kiểm tra bằng đồng hồ số hoặc máy đo tín hiệu:
- Nếu VC mất nguồn → kiểm tra dây đến ECM.
- Nếu E2 hở → mass không tốt, tín hiệu VG sai.
- Nếu VG = 0V nhưng có nguồn và mass → MAF hỏng.
Bước 3: Kiểm tra cảm biến thực tế
- Tháo cảm biến MAF khỏi ống nạp khí.
- Quan sát bên trong: nếu có bụi, dầu → vệ sinh ngay.
- Dùng dung dịch vệ sinh MAF chuyên dụng (CRC MAF Cleaner), không dùng RP7, WD-40 hay xăng vì có thể làm hỏng dây cảm biến.
- Xịt đều 3–5 lần, để khô hoàn toàn (10–15 phút).
- Lắp lại, xóa lỗi, nổ máy kiểm tra lại Data List.
Bước 4: Kiểm tra rò rỉ khí nạp
- Kiểm tra ống từ lọc gió → turbo và turbo → intercooler.
- Dùng máy khói (Smoke Tester) bơm khói vào đường ống để tìm vị trí rò.
- Nếu phát hiện ống rách / kẹp hở → thay mới, siết lại kẹp gió.
- Sau khi khắc phục, xóa mã lỗi và chạy thử 5–10 phút để ECM học lại dữ liệu lưu lượng khí.
Bước 5: Kiểm tra Fuel Trim (sau khi vệ sinh MAF)
- Vào Auto ISM → Data List → Short Term Fuel Trim (STFT) / Long Term Fuel Trim (LTFT).
- Giá trị lý tưởng:
- STFT: ±5%
- LTFT: ±10%
Nếu Fuel Trim quá cao (+20%) → tín hiệu MAF vẫn sai → cần thay cảm biến mới.
5. Ca thực tế tại gara OBD Việt Nam
Một gara tại Cần Thơ tiếp nhận xe Toyota Hilux 2020 máy dầu, khách báo xe yếu, đèn Check sáng sau khi rửa khoang máy.
Kỹ thuật viên quét lỗi → hiển thị P0102 – Mass Air Flow Sensor Circuit Low Input.
Mở Auto ISM, xem sơ đồ MAF Sensor Circuit, kiểm tra điện áp:
- VC: 5.0 V
- E2: 0 V
- VG: chỉ 0.15 V (thấp hơn chuẩn).
Tháo MAF ra, phát hiện dây cảm biến bám dầu do lọc gió bị thấm nước.
Sau khi vệ sinh bằng dung dịch chuyên dụng, xóa lỗi, chạy thử → điện áp VG ổn định 1.05 V tại idle.
- Thời gian sửa chữa: 25 phút
- Chi phí: 0 đồng (chỉ vệ sinh, không thay linh kiện)
- Kết quả: xe hoạt động êm, tăng tốc mạnh, không còn báo lỗi.
Nhờ Auto ISM, kỹ thuật viên xác định nhanh chân đo, nguồn và tín hiệu cảm biến – không cần dò dây thủ công như trước.
6. Tại sao gara nên dùng Auto ISM để chẩn đoán mã lỗi P0102
Auto ISM không chỉ hiển thị mã lỗi, mà còn cung cấp toàn bộ thông tin kỹ thuật chuyên sâu:
|
Tính năng Auto ISM |
Lợi ích thực tế |
|
Wiring Diagram chính xác từng dòng xe |
Tra cứu vị trí chân ECM, dây VC/VG/E2 nhanh chóng. |
|
Data List cảm biến theo thời gian thực |
So sánh tín hiệu thực tế với giá trị chuẩn. |
|
Thông số điện áp tiêu chuẩn MAF |
Giúp xác định lỗi điện hay cơ. |
|
Location Diagram |
Hiển thị vị trí cảm biến trong khoang máy. |
|
Cập nhật dữ liệu liên tục (2010–2025) |
Hỗ trợ Toyota, Mazda, Ford, Hyundai, Kia... |
|
Hướng dẫn xử lý mã lỗi DTC cụ thể |
Có flowchart kiểm tra từng bước rõ ràng. |
Nhờ Auto ISM, gara có thể chuẩn đoán lỗi chính xác, nhanh chóng, chuyên nghiệp — đúng tiêu chuẩn kỹ thuật của hãng.
7. Mẹo bảo dưỡng và phòng tránh lỗi P0102
- Vệ sinh cảm biến MAF định kỳ mỗi 10.000–15.000 km.
- Thay lọc gió đúng loại và đúng hướng lắp đặt.
- Không dùng RP7, dầu silicon hoặc xăng để vệ sinh MAF.
- Không rửa khoang máy khi động cơ còn nóng.
- Sau khi vệ sinh, nên reset ECU hoặc chạy 10 phút để học lại tín hiệu MAF.
- Kiểm tra định kỳ dây nối và giắc MAF tránh oxy hóa.
8. Kết luận
Mã lỗi P0102 – Cảm biến MAF tín hiệu thấp trên Toyota Hilux 2020 là một lỗi phổ biến nhưng dễ xử lý nếu có quy trình chuẩn.
Nguyên nhân chủ yếu: cảm biến bẩn, nguồn 5V yếu, mass E2 kém hoặc ống khí nạp hở.
Với Auto ISM, kỹ thuật viên có thể:
- Tra cứu sơ đồ mạch MAF chính xác.
- Đo đúng chân tín hiệu, tránh đo nhầm.
- Theo dõi dữ liệu cảm biến theo thời gian thực.
- Rút ngắn 60–70% thời gian sửa chữa.
Auto ISM – Trợ thủ chẩn đoán điện tử số 1 cho gara Việt.
Tối ưu quy trình – Chuẩn xác – Chuyên nghiệp.
Tải ngay Auto ISM tại OBD Việt Nam
hoặc liên hệ Hotline: 1800.64.64.47 để được hỗ trợ kỹ thuật miễn phí.
Link tải tài liệu: Sơ đồ mạch điện Toyota Hilux 2020
Để xem nhiều tài liệu hơn hãy đăng kí App Auto ISM: TẠI ĐÂY
Auto ISM – Giải pháp chuyên gia, đồng hành toàn diện cùng gara Việt trong kỷ nguyên xe điện.
- Liên hệ hỗ trợ & nâng cấp: 0932 113 115
Xem thêm:
- Hướng dẫn sử dụng Auto ISM từ A–Z cho người mới bắt đầu
- Cách Tra Mã Lỗi P0171 Trên Toyota Vios Bằng Auto ISM
- Auto Ism Free Vs Pro – Nên Chọn Phiên Bản Nào Cho Gara Của Bạn?
CẢM ƠN BẠN ĐỌC!
OBDVIETNAM
Tin liên quan
- So sánh tài liệu ô tô AutoISM và PDF - Vì sao gara nên chuyển đổi?
- Cấu Tạo Và Nguyên Lý Hoạt Động Hệ Thống Common Rail Diesel
- Phân tích bộ tài liệu hộp số tự động Auto ISM – Dành cho kỹ thuật viên nâng cao
- Hướng dẫn đọc tài liệu động cơ ô tô bằng Auto ISM – Phiên bản chuyên gia
- Tra cứu tài liệu điện điều hòa ô tô bằng Auto ISM – Hướng dẫn chuyên sâu
- Hướng dẫn tra cứu sơ đồ mạch điện ô tô nâng cao bằng AutoISM
- Auto ISM phân loại tài liệu sửa chữa ô tô theo hệ thống như thế nào?
- Bên trong hệ thống dữ liệu AutoISM – Quy trình tạo tài liệu kỹ thuật ô tô chuẩn xưởng
- Phân tích lỗi P2757 – Solenoid hộp số Toyota Fortuner bằng Auto ISM
- Lỗi P0455 Toyota Raize – Rò rỉ lớn hệ thống EVAP, cách xử lý bằng Auto ISM
Danh mục tin tức
- Hành Trình Chuyển Giao
- Cẩm Nang Sửa Chữa Ô Tô
- Sự Kiện OBD Việt Nam
- Kiến Thức Ô Tô
- Chăm Sóc Xe Ô Tô
- Tiếng Anh Chuyên Ngành Ô Tô
- Hướng Dẫn Sử Dụng Phần Mềm
- Hướng Dẫn Sử Dụng Máy Chẩn Đoán
- Đánh Giá Máy Đọc Lỗi
- Kiến thức xe tải nặng, máy công trình
- Bản Tin Công Nghệ Ô Tô
- Chia Sẻ Tài Liệu Ô Tô
- Cảm Nhận Của Khách Hàng
- Thông Tin Cần Biết
- Setup Garage Chuyên Nghiệp
- Hỏi Đáp Sản Phẩm
Tin xem nhiều
So sánh tài liệu ô tô AutoISM và PDF - Vì sao gara nên chuyển đổi?
Cấu Tạo Và Nguyên Lý Hoạt Động Hệ Thống Common Rail Diesel
Phân tích bộ tài liệu hộp số tự động Auto ISM – Dành cho kỹ thuật viên nâng cao
Hướng dẫn đọc tài liệu động cơ ô tô bằng Auto ISM – Phiên bản chuyên gia
Tra cứu tài liệu điện điều hòa ô tô bằng Auto ISM – Hướng dẫn chuyên sâu
Vui lòng điền vào mẫu dưới đây, để chúng tôi có thể cung cấp cho bạn thông tin cập nhật về những thông tin mới của chúng tôi