Lỗi P0505 trên Toyota Fortuner – Cách chẩn đoán và xử lý bằng Auto ISM
LỖI P0505 TRÊN TOYOTA FORTUNER – GIẢI PHÁP TRA CỨU & CHẨN ĐOÁN BẰNG AUTO ISM

Giới thiệu
Mã lỗi P0505 – Idle Control System Malfunction là một trong những lỗi thường gặp trên các dòng xe Toyota Fortuner, đặc biệt ở phiên bản động cơ 2TR-FE.
Trước đây, các xe đời cũ sử dụng van điều khiển không tải (IACV) để duy trì tốc độ cầm chừng. Tuy nhiên, trên Fortuner 2018, hệ thống này đã được tích hợp hoàn toàn vào bướm ga điện tử (ETCS-i – Electronic Throttle Control System intelligent).
Điều đó có nghĩa là khi bướm ga hoặc hệ thống điều khiển điện tử gặp trục trặc, ECU sẽ không thể duy trì tốc độ không tải ổn định, gây ra lỗi P0505.
Ứng dụng Auto ISM của OBD Việt Nam là công cụ đắc lực giúp kỹ thuật viên tra cứu sơ đồ mạch ETCS-i, xác định tín hiệu điều khiển, phân tích nguyên nhân lỗi và hướng dẫn kiểm tra chi tiết.

Hình 1: Tra cứu mã lỗi P0505 trên app tra cứu Auto ISM
1. Nguyên lý hoạt động của hệ thống điều khiển tốc độ không tải (ETCS-i)
Trên Fortuner 2TR-FE, ECU không còn điều khiển tốc độ không tải thông qua van IAC, mà sử dụng bộ mô-tơ điện trong cụm bướm ga để mở nhẹ cánh bướm khi cần tăng/giảm tốc độ không tải.
Cấu tạo chính:
- Throttle Body (Cụm bướm ga): gồm cánh bướm, mô-tơ điều khiển và cảm biến vị trí TPS.
- Cảm biến vị trí bàn đạp ga (APP Sensor): gửi tín hiệu tới ECM về mức độ đạp ga.
- ECM (Engine Control Module): xử lý tín hiệu APP và điều khiển mô-tơ bướm ga để điều chỉnh luồng khí nạp.
- Cảm biến nhiệt độ nước làm mát, tải máy lạnh, điện áp bình, v.v.: giúp ECM tính toán chính xác tốc độ không tải cần thiết.
Cách hoạt động:
Khi xe ở chế độ không tải, ECM tự động điều khiển mô-tơ bướm ga mở một góc rất nhỏ để duy trì tua máy khoảng 700–750 vòng/phút.
Nếu có tải phụ (bật đèn, điều hòa, vô-lăng quay…), ECM sẽ mở bướm thêm một chút để bù tua, đảm bảo động cơ vận hành êm và ổn định.
2. Triệu chứng khi xuất hiện lỗi P0505
Lỗi P0505 thường xuất hiện khi ECM phát hiện sự sai lệch giữa tốc độ không tải mục tiêu và thực tế trong một khoảng thời gian nhất định.
Các dấu hiệu thường gặp gồm:
- Tốc độ không tải dao động bất thường (lúc cao, lúc thấp).
- Xe dễ tắt máy khi dừng hoặc bật tải phụ (máy lạnh, quạt, đèn).
- Đèn Check Engine sáng trên taplo.
- Khi đọc bằng máy chẩn đoán, hiển thị mã P0505 – Idle Control System Malfunction.
- Dữ liệu thực tế trong Auto ISM: “Target Idle Speed” ≠ “Actual Idle Speed”, chênh lệch >150 rpm.
3. Nguyên nhân phổ biến gây ra mã lỗi P0505
|
Nhóm nguyên nhân |
Mô tả chi tiết |
Cách kiểm tra trên Auto ISM |
|
Bướm ga bẩn / kẹt |
Bụi than, cặn dầu bám quanh bướm ga khiến mô-tơ không đóng/mở đúng vị trí |
Mở sơ đồ ETCS-i trong Auto ISM → xem tín hiệu VTA, VTA2, M+, M–; nếu sai lệch, vệ sinh thân bướm |
|
Cảm biến TPS lỗi |
Gửi tín hiệu sai vị trí cánh bướm → ECM tính sai tốc độ không tải |
Quan sát “Throttle Position %” trong Data List, so với góc thực tế |
|
Cảm biến APP lỗi |
Gửi tín hiệu sai về mức đạp ga, làm ECM điều khiển sai góc mở bướm |
Xem “Accelerator Pedal Position %” trong Auto ISM |
|
Dây tín hiệu hoặc mass kém |
Giắc nối lỏng, dây M+ / M– hoặc E2 bị oxy hóa, gây mất tín hiệu điều khiển |
Tra sơ đồ chân ECM trong Auto ISM, đo điện trở và điện áp các chân |
|
ECM lỗi nội bộ (hiếm) |
Mạch điều khiển mô-tơ bướm ga bị chập / hở |
So sánh giá trị điều khiển mục tiêu và phản hồi trong Auto ISM |
4. Quy trình chẩn đoán lỗi bằng Auto ISM
Bước 1: Xác nhận mã lỗi
Dùng máy đọc lỗi → P0505.
Sau đó mở Auto ISM → nhập:
Toyota → Fortuner 2018 → Engine: 2TR-FE → Wiring Diagram → Throttle Control System (ETCS-i)
Bước 2: Quan sát sơ đồ hệ thống
Auto ISM hiển thị đầy đủ:
- Mô-tơ điều khiển bướm ga: chân M+, M–
- Cảm biến vị trí bướm ga: VTA, VTA2, VC, E2
- Kết nối với ECM (Engine Control Module)
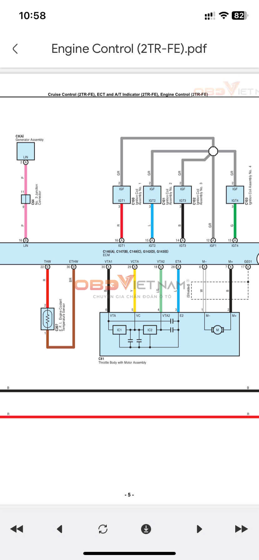
Hình 2: Tra cứu sơ đồ mạch điện trên App tra cứu Auto ISM
Bước 3: Phân tích dữ liệu cảm biến
Vào mục Data List (máy chẩn đoán) → so sánh:
- Throttle Position Sensor (%)
- Target Idle Speed (rpm)
- Engine Speed (rpm)
- ISC Learned Value (%)
Nếu độ lệch giữa tốc độ mục tiêu và thực tế vượt quá 150–200 rpm → hệ thống không tải hoạt động sai.
Bước 4: Vệ sinh thân bướm ga
Tháo cụm bướm ga, dùng dung dịch vệ sinh chuyên dụng.
Không nên dùng tay xoay cánh bướm, tránh hỏng cơ cấu servo.
Sau khi vệ sinh → reset học lại góc bướm bằng máy chẩn đoán.
Bước 5: Kiểm tra tín hiệu điện
Theo sơ đồ trong Auto ISM:
- Kiểm tra nguồn 5V (VC), mass (E2).
- Đo điện trở giữa M+ và M–, giá trị chuẩn 1.5–2.5 Ω.
Nếu vượt quá → mô-tơ bướm ga hỏng.
5. Ca thực tế tại gara OBD Việt Nam
Một gara tại Bình Dương tiếp nhận xe Fortuner 2018, máy 2TR-FE, khách báo máy rung và tua không tải lúc cao lúc thấp.
Đọc lỗi thấy P0505.
Kỹ thuật viên mở Auto ISM, truy cập sơ đồ ETCS-i, kiểm tra tín hiệu VTA/VTA2 → phát hiện giá trị TPS dao động bất thường khi không đạp ga.
Tháo thân bướm → thấy bụi than dày đặc, kẹt cánh bướm.
Vệ sinh sạch, lắp lại và reset học góc bướm bằng máy chẩn đoán.
Kết quả: tua ổn định 750 rpm, đèn Check Engine tắt, xe hoạt động bình thường.
- Tổng thời gian xử lý: 35 phút, nhờ có sơ đồ chuẩn và dữ liệu tham chiếu trong Auto ISM.
6. Lợi ích khi dùng Auto ISM trong chẩn đoán P0505
Ứng dụng Auto ISM mang đến nhiều lợi ích vượt trội cho gara và kỹ thuật viên:
- Tra cứu sơ đồ ETCS-i chính xác theo từng dòng xe Toyota
- Xem ngay vị trí linh kiện và đường dây kết nối với ECM
- So sánh tín hiệu cảm biến thực tế với giá trị chuẩn của hãng
- Rút ngắn 60–70% thời gian tra cứu và xác định lỗi
- Giảm sai sót khi đo đạc hoặc phán đoán nhầm nguyên nhân
Với Auto ISM, mọi thông tin – từ sơ đồ điện, dữ liệu cảm biến đến hướng dẫn sửa chữa – đều nằm ngay trong điện thoại của bạn.
Kết luận
Mã lỗi P0505 trên Toyota Fortuner 2018 không còn liên quan đến van IAC như xe đời cũ, mà nằm trong hệ thống điều khiển bướm ga điện tử ETCS-i.
Nhờ ứng dụng Auto ISM, kỹ thuật viên có thể phân tích dữ liệu, tra cứu sơ đồ chuẩn, xác định nguyên nhân và xử lý nhanh chóng chỉ trong vài bước.
Tải ngay ứng dụng Auto ISM tại OBD Việt Nam hoặc liên hệ Hotline 1800.64.64.47 để được hỗ trợ kỹ thuật miễn phí!
Auto ISM – Giải pháp chuyên gia, đồng hành toàn diện
Link tải tài liệu: Sơ đồ mạch điện Toyota fortuner 2018
Để xem nhiều tài liệu hơn hãy đăng kí App Auto ISM: TẠI ĐÂY
Auto ISM – Giải pháp chuyên gia, đồng hành toàn diện cùng gara Việt trong kỷ nguyên xe điện.
- Liên hệ hỗ trợ & nâng cấp: 0932 113 115
Xem thêm:
- Hướng dẫn sử dụng Auto ISM từ A–Z cho người mới bắt đầu
- Cách Tra Mã Lỗi P0171 Trên Toyota Vios Bằng Auto ISM
- Auto Ism Free Vs Pro – Nên Chọn Phiên Bản Nào Cho Gara Của Bạn?
CẢM ƠN BẠN ĐỌC!
OBDVIETNAM
Tin liên quan
- So sánh tài liệu ô tô AutoISM và PDF - Vì sao gara nên chuyển đổi?
- Cấu Tạo Và Nguyên Lý Hoạt Động Hệ Thống Common Rail Diesel
- Phân tích bộ tài liệu hộp số tự động Auto ISM – Dành cho kỹ thuật viên nâng cao
- Hướng dẫn đọc tài liệu động cơ ô tô bằng Auto ISM – Phiên bản chuyên gia
- Tra cứu tài liệu điện điều hòa ô tô bằng Auto ISM – Hướng dẫn chuyên sâu
- Hướng dẫn tra cứu sơ đồ mạch điện ô tô nâng cao bằng AutoISM
- Auto ISM phân loại tài liệu sửa chữa ô tô theo hệ thống như thế nào?
- Bên trong hệ thống dữ liệu AutoISM – Quy trình tạo tài liệu kỹ thuật ô tô chuẩn xưởng
- Phân tích lỗi P2757 – Solenoid hộp số Toyota Fortuner bằng Auto ISM
- Lỗi P0455 Toyota Raize – Rò rỉ lớn hệ thống EVAP, cách xử lý bằng Auto ISM
Danh mục tin tức
- Hành Trình Chuyển Giao
- Cẩm Nang Sửa Chữa Ô Tô
- Sự Kiện OBD Việt Nam
- Kiến Thức Ô Tô
- Chăm Sóc Xe Ô Tô
- Tiếng Anh Chuyên Ngành Ô Tô
- Hướng Dẫn Sử Dụng Phần Mềm
- Hướng Dẫn Sử Dụng Máy Chẩn Đoán
- Đánh Giá Máy Đọc Lỗi
- Kiến thức xe tải nặng, máy công trình
- Bản Tin Công Nghệ Ô Tô
- Chia Sẻ Tài Liệu Ô Tô
- Cảm Nhận Của Khách Hàng
- Thông Tin Cần Biết
- Setup Garage Chuyên Nghiệp
- Hỏi Đáp Sản Phẩm
Tin xem nhiều
So sánh tài liệu ô tô AutoISM và PDF - Vì sao gara nên chuyển đổi?
Cấu Tạo Và Nguyên Lý Hoạt Động Hệ Thống Common Rail Diesel
Phân tích bộ tài liệu hộp số tự động Auto ISM – Dành cho kỹ thuật viên nâng cao
Hướng dẫn đọc tài liệu động cơ ô tô bằng Auto ISM – Phiên bản chuyên gia
Tra cứu tài liệu điện điều hòa ô tô bằng Auto ISM – Hướng dẫn chuyên sâu
Vui lòng điền vào mẫu dưới đây, để chúng tôi có thể cung cấp cho bạn thông tin cập nhật về những thông tin mới của chúng tôi