Cách Xử Lý Lỗi P0441 – EVAP Trên Toyota Corolla Altis Bằng Auto Ism
CÁCH XỬ LÝ LỖI P0441 – EVAP TRÊN TOYOTA COROLLA ALTIS BẰNG AUTO ISM
 
Tóm tắt nhanh:
Mã lỗi P0441 – EVAP SYSTEM INCORRECT PURGE FLOW là một trong những lỗi thường gặp trên Toyota Corolla Altis đời 2018–2022, báo hiệu hệ thống EVAP (Evaporative Emission Control System) hoạt động sai lưu lượng.
 Đây là một lỗi không ảnh hưởng trực tiếp đến vận hành, nhưng nếu không khắc phục sớm sẽ dẫn đến rò rỉ hơi xăng, tăng mức phát thải CO/HC, và không đạt tiêu chuẩn kiểm định khí thải.
Trong bài viết này, OBD Việt Nam sẽ hướng dẫn bạn:
- Hiểu rõ cơ chế hoạt động của hệ thống EVAP trên Toyota Corolla Altis.
 - Cách xác định nguyên nhân gây lỗi P0441 dựa trên sơ đồ kỹ thuật Auto ISM.
 - Các bước kiểm tra van purge, vent, cảm biến áp suất bình nhiên liệu chính xác nhất.
 - Và thực tế tại gara – minh chứng hiệu quả ứng dụng Auto ISM trong chẩn đoán.
 
 
Hình 1: Tra cứu mã lỗi trên app tra cứu Auto ISM
1. Tổng quan hệ thống EVAP trên Toyota Corolla Altis
EVAP là gì?
Hệ thống EVAP (Evaporative Emission Control System) có nhiệm vụ thu hồi hơi xăng bốc hơi từ bình nhiên liệu, tránh thải trực tiếp ra môi trường.
 Thay vì bay ra ngoài, hơi xăng sẽ được dẫn qua bình than hoạt tính (charcoal canister) để hấp thụ, sau đó được van purge (EVAP Purge VSV) điều tiết đưa vào cổ hút nạp để đốt cháy lại trong động cơ.
Các thành phần chính của EVAP
| 
 Thành phần  | 
 Chức năng  | 
 Ghi chú  | 
| 
 Canister (Bình than hoạt tính)  | 
 Lưu trữ hơi xăng bốc hơi từ bình nhiên liệu.  | 
 Nằm phía sau xe gần bình xăng.  | 
| 
 Van purge (Purge VSV)  | 
 Điều tiết hơi xăng từ canister vào cổ hút nạp.  | 
 Được ECM điều khiển theo tải động cơ.  | 
| 
 Van vent (Canister Vent Valve)  | 
 Đóng mở đường thông hơi với môi trường.  | 
 ECM điều khiển để kiểm tra kín hệ thống.  | 
| 
 Cảm biến áp suất bình xăng (FTPS)  | 
 Theo dõi áp suất hơi trong hệ thống EVAP.  | 
 Gửi tín hiệu về ECM.  | 
| 
 Ống hơi xăng EVAP hoses  | 
 Kết nối các bộ phận trên.  | 
 Dễ rò rỉ nếu xe va chạm hoặc sửa chữa sai.  | 
 
Hình 2: Van điều tiết hơi xăng hệ thống EVAP
2. Ý nghĩa mã lỗi P0441 – EVAP System Incorrect Purge Flow
Khi ECM phát hiện lưu lượng purge flow không phù hợp với tín hiệu áp suất từ FTPS, hệ thống sẽ ghi nhận lỗi P0441.
 Hiểu đơn giản, đó là lưu lượng hơi xăng thực tế khác với giá trị ECM mong muốn.
Cụ thể:
- ECM mở van purge → mong đợi áp suất bình xăng giảm nhẹ.
 - Nhưng nếu áp suất không đổi → ECM kết luận van purge không hoạt động hoặc ống bị nghẹt.
 - Ngược lại, nếu áp suất giảm quá nhanh → có thể van purge bị kẹt mở, vent valve hở hoặc ống rò rỉ.
 
3. Dấu hiệu nhận biết lỗi P0441 trên Toyota Corolla Altis
- Đèn Check Engine sáng nhưng xe vẫn chạy bình thường.
 - Có mùi xăng nhẹ quanh nắp bình xăng hoặc gầm xe.
 - Khi đổ xăng, có thể khó khởi động lại trong vài giây đầu.
 - Khi đọc bằng máy chẩn đoán sẽ hiển thị:
 
DTC: P0441 – EVAP System Incorrect Purge Flow
Nếu để lâu, hơi xăng thoát ra ngoài gây ô nhiễm môi trường, đồng thời ảnh hưởng đến hệ thống đo xăng (Fuel Trim) khiến ECU phải bù sai nhiên liệu.
4. Nguyên nhân phổ biến gây ra mã lỗi P0441
| 
 Nhóm nguyên nhân  | 
 Mô tả chi tiết  | 
 Phương pháp kiểm tra  | 
| 
 Van purge (EVAP VSV)  | 
 Hỏng cuộn dây, kẹt cơ học hoặc rò điện nhẹ.  | 
 Dùng Auto ISM xem sơ đồ mạch và vị trí van, đo điện trở (26–32Ω). Kích thử bằng điện 12V – nếu không “click” là hỏng.  | 
| 
 Van thông hơi (Canister Vent Valve)  | 
 Không đóng kín, khiến hơi thoát ra khi ECM yêu cầu đóng.  | 
 Kiểm tra hoạt động bằng chức năng Actuator Test trong Auto ISM.  | 
| 
 Ống EVAP / ống purge  | 
 Bị gãy, hở, hoặc kẹp khi lắp bình xăng.  | 
 Dò rò rỉ bằng máy smoke tester hoặc dung dịch tạo khói.  | 
| 
 Cảm biến áp suất bình xăng (FTPS)  | 
 Báo tín hiệu sai hoặc chập chờn.  | 
 Quan sát dữ liệu Fuel Tank Pressure Sensor trên Auto ISM.  | 
| 
 Nắp bình xăng  | 
 Không kín hoặc gioăng cao su bị chai.  | 
 Thay thử nắp mới, xóa lỗi và kiểm tra lại.  | 
| 
 ECM / hệ thống điều khiển  | 
 Rất hiếm khi hỏng, nhưng có thể lỗi phần mềm.  | 
 Chỉ xem xét sau khi kiểm tra các bộ phận cơ học.  | 
5. Quy trình chẩn đoán lỗi P0441 bằng Auto ISM
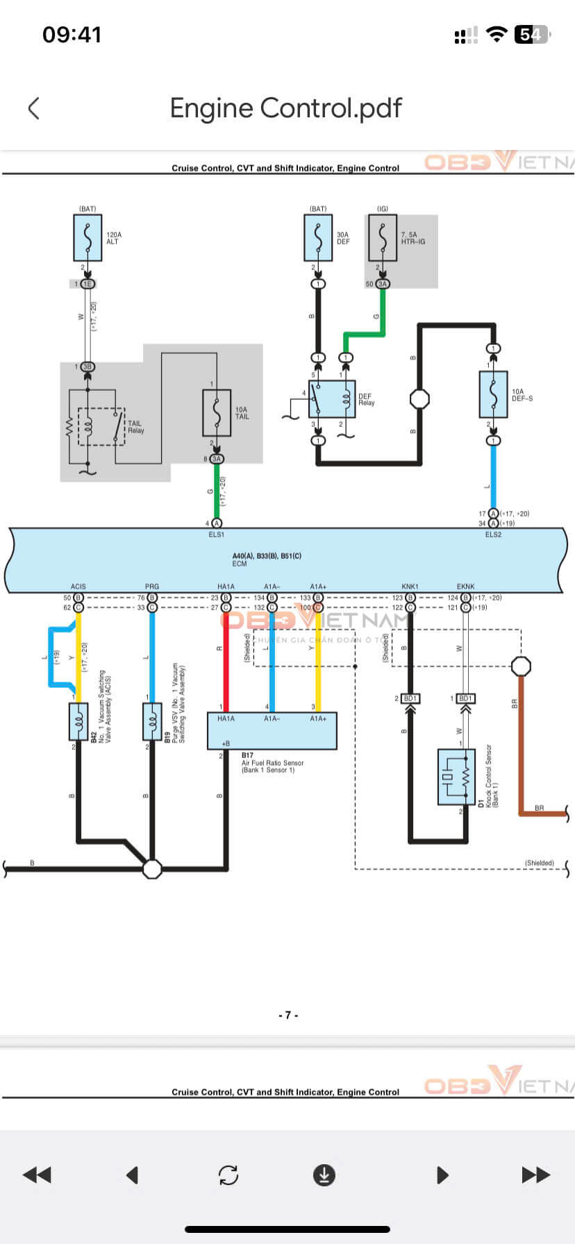
Bước 1: Mở sơ đồ mạch EVAP
- Mở Auto ISM → chọn Toyota → Corolla Altis 2020 → 2ZR-FE.
 - Vào Wiring Diagram → Engine → Emission Control → EVAP System.
 - Sơ đồ hiển thị rõ van purge (ở khoang động cơ), van vent (phía sau xe), cảm biến FTPS, canister, và các đường dây đến ECM.
 
Auto ISM sẽ đánh dấu tín hiệu VSV1, VENT1, FTP1, E2 tương ứng với chân ECM – rất thuận tiện khi đo thực tế bằng đồng hồ số.
 
Hình 3: Tra cứu sơ đồ mạch điện hệ thống EVAP trên app Auto ISM
Bước 2: Kiểm tra hoạt động van purge
- Đo điện trở cuộn dây van purge tại giắc → giá trị 26–32 Ω @ 20°C.
 - Dùng máy chẩn đoán kích hoạt van purge (Actuator Test → EVAP Purge Control).
 - Nếu nghe “click” → van hoạt động. Nếu im lặng hoặc điện trở ∞ → cần thay.
 - Ngoài ra, có thể thổi khí qua hai đầu van:
 - Khi OFF: khí không qua.
 - Khi ON: khí thông suốt → van tốt.
 
Bước 3: Kiểm tra tín hiệu áp suất FTPS
- Vào Data List (máy chẩn đoán) → Fuel Tank Pressure (kPa).
 - Khi ECM kích purge, áp suất trong bình phải giảm nhẹ (0.2–0.5 kPa).
 - Nếu áp suất không thay đổi → purge không mở.
 - Nếu giảm mạnh → nghi vent valve hở hoặc canister rò.
 
Bước 4: Test rò rỉ đường ống EVAP bằng máy khói
- Dùng Smoke Tester bơm khói vào đường purge tại cổ hút.
 - Quan sát khói rò ra tại canister, vent hoặc khu vực bình xăng.
 - Nếu khói ra ở van vent → thay vent valve.
 - Nếu khói ra ở đầu nối EVAP → cần siết lại hoặc thay ống.
 
Bước 5: Kiểm tra nắp bình xăng
- Dù đơn giản, nhưng đây là nguyên nhân phổ biến nhất.
 - Nếu nắp lỏng, gioăng chai, áp suất trong bình không ổn định → P0441 xuất hiện.
 - Thay nắp mới, xóa lỗi, chạy lại vài chu kỳ lái → nếu không tái lỗi, đã khắc phục.
 
6. Thực tế tại gara OBD Việt Nam
Tại một gara ở Bình Dương, xe Toyota Corolla Altis 2020 vào xưởng với tình trạng:
- Đèn Check Engine sáng, xe vẫn vận hành bình thường.
 - Mã lỗi đọc được: P0441 – EVAP System Incorrect Purge Flow.
 
 
Hình 4: Đèn Check Engine sáng khi xuất hiện lỗi hệ thống EVAP
Kỹ thuật viên tiến hành theo quy trình Auto ISM:
- Tra sơ đồ EVAP trên Auto ISM → xác định vị trí van purge ngay sau cổ hút nạp.
 - Đo điện trở cuộn → 47Ω (cao hơn tiêu chuẩn).
 - Khi kích điện, không nghe tiếng “click”.
 - Thay mới van purge chính hãng → xóa lỗi, kiểm tra Data List → Fuel Tank Pressure ổn định.
 
Thời gian sửa chữa tổng cộng: 25 phút.
 Trước đây khi chưa dùng Auto ISM, kỹ thuật viên mất hơn 90 phút mới xác định đúng nguyên nhân.
Kết quả:
- Xe không tái lỗi, Check Engine tắt hoàn toàn.
 - Hệ thống EVAP hoạt động chuẩn, kiểm định khí thải đạt tiêu chuẩn Euro 4.
 
7. Vì sao gara nên dùng Auto ISM khi xử lý lỗi EVAP?
Auto ISM không chỉ là phần mềm tra sơ đồ điện, mà là trợ lý kỹ thuật toàn diện cho gara:
Kho dữ liệu điện – điện tử lớn nhất Việt Nam:
 Hỗ trợ hơn 80 hãng xe, gồm cả dòng Toyota, Honda, Mazda, Hyundai, Ford, Nissan, Kia…
Có đầy đủ sơ đồ EVAP, EGR, ABS, SRS, ECM…
 Kỹ thuật viên dễ dàng tra cứu chân tín hiệu, màu dây, nguồn +B, mass, vị trí linh kiện.
Tích hợp hướng dẫn xử lý mã lỗi chi tiết:
 Giải thích từng mã DTC, nguyên nhân, cách kiểm tra, trị số điện trở, điện áp.
Cập nhật liên tục – hỗ trợ xe đời mới:
 Phiên bản mới nhất đã cập nhật đến năm 2025, bao gồm dòng hybrid và xe điện.
Tiết kiệm 50–70% thời gian tra cứu và sửa chữa.
 Đặc biệt với các lỗi khí thải phức tạp như P0441, P0455, P0171… kỹ thuật viên có thể xác định nguyên nhân chỉ trong vài phút.
Kết luận
Mã lỗi P0441 – EVAP System Incorrect Purge Flow tuy không làm xe chết máy, nhưng nếu bỏ qua sẽ ảnh hưởng đến mức phát thải, tiết kiệm nhiên liệu và kiểm định khí thải.
 Sử dụng Auto ISM giúp gara:
- Nắm rõ cấu trúc hệ thống EVAP.
 - Xác định nhanh van purge, vent và FTPS.
 - Đưa ra hướng xử lý chính xác, chuyên nghiệp và tiết kiệm thời gian.
 
Hãy trải nghiệm Auto ISM – Trợ thủ chẩn đoán điện & khí thải số 1 cho gara Việt.
 Liên hệ ngay Hotline 1800.64.64.47 hoặc truy cập obdvietnam.vn để được hỗ trợ và dùng thử miễn phí.
Auto ISM – Giải pháp chuyên gia, đồng hành toàn diện
Link tải tài liệu: Sơ đồ mạch điện Toyota Corolla Altis 2020
Để xem nhiều tài liệu hơn hãy đăng kí App Auto ISM: TẠI ĐÂY
Auto ISM – Giải pháp chuyên gia, đồng hành toàn diện cùng gara Việt trong kỷ nguyên xe điện.
- Liên hệ hỗ trợ & nâng cấp: 0932 113 115
Xem thêm:
- Hướng dẫn sử dụng Auto ISM từ A–Z cho người mới bắt đầu
- Cách Tra Mã Lỗi P0171 Trên Toyota Vios Bằng Auto ISM
- Auto Ism Free Vs Pro – Nên Chọn Phiên Bản Nào Cho Gara Của Bạn?
CẢM ƠN BẠN ĐỌC!
OBDVIETNAM
Tin liên quan
- Phân tích mã lỗi P0420 Toyota Camry – Hiệu suất xúc tác thấp xử lý bằng Auto ISM
 - Chẩn đoán mã lỗi P0301 – Lỗi đánh lửa trên Toyota Innova bằng Auto ISM
 - Cách Tra Mã Lỗi P0171 Trên Toyota Vios Bằng Auto ISM
 - Auto ISM Có Hỗ Trợ Xe Điện Và Hybrid Không?
 - 5 Mẹo Giúp Bạn Dùng Auto ISM Hiệu Quả Hơn
 - App Auto ISM Cập Nhật Dữ Liệu Mới: Thêm Hai Hãng Infinity & Lincoln
 - Cách Nộp Phạt Nguội Online 2025 Nhanh Chóng Qua Cổng Dịch Vụ Công
 - Cách Tra Cứu Phạt Nguội Và Đăng Kiểm Toàn Quốc Chuẩn Xác Mới Nhất
 - Thủy Kích Ô Tô Là Gì? Nguyên Nhân, Hậu Quả Và Cách Phòng Tránh
 - Auto Ism Giúp Gara Tiết Kiệm Thời Gian Như Thế Nào?
 
Danh mục tin tức
- Hành Trình Chuyển Giao
 - Cẩm Nang Sửa Chữa Ô Tô
 - Sự Kiện OBD Việt Nam
 - Kiến Thức Ô Tô
 - Chăm Sóc Xe Ô Tô
 - Tiếng Anh Chuyên Ngành Ô Tô
 - Hướng Dẫn Sử Dụng Phần Mềm
 - Hướng Dẫn Sử Dụng Máy Chẩn Đoán
 - Đánh Giá Máy Đọc Lỗi
 - Kiến thức xe tải nặng, máy công trình
 - Bản Tin Công Nghệ Ô Tô
 - Chia Sẻ Tài Liệu Ô Tô
 - Cảm Nhận Của Khách Hàng
 - Thông Tin Cần Biết
 - Setup Garage Chuyên Nghiệp
 - Hỏi Đáp Sản Phẩm
 
Tin xem nhiều
Cách Xử Lý Lỗi P0441 – EVAP Trên Toyota Corolla Altis Bằng Auto Ism
Phân tích mã lỗi P0420 Toyota Camry – Hiệu suất xúc tác thấp xử lý bằng Auto ISM
Chẩn đoán mã lỗi P0301 – Lỗi đánh lửa trên Toyota Innova bằng Auto ISM
Cách Tra Mã Lỗi P0171 Trên Toyota Vios Bằng Auto ISM
Auto ISM Có Hỗ Trợ Xe Điện Và Hybrid Không?
            Vui lòng điền vào mẫu dưới đây, để chúng tôi có thể cung cấp cho bạn thông tin cập nhật về những thông tin mới của chúng tôi